Подключение регулятора обогрева грипс САИТО
|
на сайте:
авг-05
нахождение:
Кропоткин
|
|
|
28-10-14 17:25
|
|
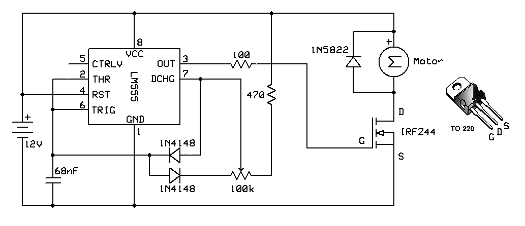
Из предыдущей темы вам уже известно что у меня подогрев ручек намотан нихромом. В регуляторе САИТОвском(спасибо ДевилДрайверу) плюс подается на грипсу напрямую а ШИМ регулировка установленна именно на минусе! Ну и грипсы их 2выводные. Задача - инвертировать сигнал чтобы "управление" шло по плюсу. Полагаю, надо заюзать еще один мощный полевик и его управлять именно выходом САИТы. Но вот по подключению/обвязке чтото не соображу на пальцах никак.. Забыл уж многое... Ключ например IRFZ44N с запасом использовать... Требуется помошь... ПС. Кстати подогрев САИТО - говно. Так получилось что на другом моем мотоцикле именно такой установлен. При околонулевой температуре постоянно выкручен на максимум и порой хочется еще добавить! И грипсы жесткие и неудобные. |
|

макс делаи на шим регуляторе. Один раз сделаешь. И не будешь ипать голову потом.
П.с сам подумываю такои ваять на подогрев жопы. В стоке емеля греет так что ощущение что сидишь на утюге.
ШИМ... впадлу...
Мож на разборке вытащить кнопку регулировки мощности электростула с какого нибудь немца?
выкинул ты бы его вообще.
пока не получил воспаление седалищного. или простаты.
Кого?
Жопом ерзать по обледенелой сидухе лучше?
Не забудьте (вдруг не знаете), защиту от встречного ветра. Реально внутри греет, а снаружи замораживает, создаётся такое ощущение, что суставы пальцев становятся как от подагры распухшими и не сгинаются...
Уже стоит.
С реле поворотов весьма рабочая затея. Длительность импульсов наверняка можео регулировать каким то из резисторов.
А сам подогрев не помрет от этих самых импульсов?
Из этой темы http://www.microsmart.eu/index.php?topic=44.0 собирал простой регулируемый источник питания.
Как по мне, так наиболее подходящий для таких целей девайс. Хотя, кому как..
Помпрет от импульсов что? Спираль подогрева?
Да, сама спираль.
Скорей контактная группа реле помрет от постоянной работы.
Можно ее на полевик заменить. Займет места ничуть не больше, чем само реле.
А продукция фирмы Oxford не подойдет?
ты про термобельё ?
Макс,есть регуляторы,аж целых два,от ручек фирмы saito,рабочие
на работе должны лежать
у одной 4 положения-офф,старт,лоу,хай
у второй вроде 3-офф,лоу,хай
Сколько и почем?
да хз,они мне нах не нужны)) как нить приеду в гости пивом угостишь)) как найду во вк отпишу
Договорились.
Делай ШИМ на таймере ne555 - схем в сети навалом, питается от бортсети без проблем. Ключик советую взять IRF1404 - одного на обе ручки хватит. Частоту в районе 100 Гц ставь, больше там не нужно.
Вот такая схемка например: http://4.bp.blogspot.com/-ZuiqVWqihcI/UL_GWbotUBI/AAAAAAAABGk/fMt2jQt2Sa...
у меня вообще хромучие рукоядки стоят,в минус ездил,устриц ел.чо вы как неженки,десять минут с чашей горячего кофе и пальцы снова начинают судорожно сгибатся)самая нестерпимая боль это зубная и, если у кого,глазное давление
Проедь с подогревом грипс сперва ;-)
Ручки хром (цельнометаллические), за бортом +1, а ехать 700км - думаю без подогрева мои пальцы пришлось бы монтировкой с руля отковыривать. Так что подогреву быть, ибо не в африке живем.
я так делал http://oppozit.ru/article90077.html
Стоимость моего подогрева - 2 куска термоусадки.
Какой нах оксфорд???
Реле поворотов ессно на полевике юзать! И не клацает и не щелкает и не изнашивает и не греется и ток значительный пропускает.
Напроимер вот http://izh-motor.ru/publ/ural_dnepr/poleznye_stati/ehlektronnoe_rele_pov...
Даже можно регулировать скважность в некоторых пределах.
Ну е-мое, совсем эти южане избаловались, холодно им видите ли :-) Я вот в прошлые выхи 200 км проху...л по трассе в одних перчатках и малюсеньких эндурных щитках спереди, шел под сотку, было минус 13 :-))
P.S. Шепотом - приеду как-нибудь в гости- сделай мне такие же :-)
)))))))
Есть самый простой регулятор - на тумблере. Тупо последовательно или параллельно включает нагреватели. Но надо с каждой рукоятки по 2 провода тянуть.
а есть еще более простой - потенциометром.
Сходи посмотри на потенциометр ватт на 20-30. У некоторых здесь аккумулятор размерами меньше...
На тепловозе 2ТЭ166 в качестве подсветки пульта используются две 75 ваттные лампочки. И регулировка их яркости производится обычным потенциометром из радиоприемника. Сегодня проводил опыты с комплектом подогрева и потенциометрами на 3 и 10К. Регулировка нагрева - отменная, нагрева потенциометров на обнаружено.
смотри еще
Посмотрю. За 2 часа работы от стороннего источника питания нагревов не обнаружено. Завтра (точнее уже сегодня) на работу приду, попробую на видео заснять регулировку освещения на своем паровозе.
Нееее, видео неннад.
Схему принципиальную давай как 0.25Вт потенциометром регулируешь мощность в сотни ватт;-)
http://static.scbist.com/scb/uploaded/teplovozy/2te116_2.jpg Вот тебе схема. Поищи надпись "подсветка пульта", и посмотри, как она запитывается.
Две лампы по 75Вт могут осветить комнату средних размеров. Что-то ты путаешь, для подсветки пульта этого будет сильно дофига. Даже лампы ближнего-дальнего света такой мощности редкость.
Да в принципе неважно. Любой реостат - это активный регулятор. Тоесть не импульсный. А это значит, что вся лишняя мощность, не ушедшая в нагрузку, должна выделиться на нем в виде тепла.
Допустим есть нагреватель U=12В I=10А.
Сопротивление нагрузки Rн = U/I = 1.2 Ома
Мощность в нагрузке Pн = I^2 * Rн = 120Вт.
Вводим в схему сопротивление R1 последовательно нагрузке.
I=U/(R1+Rн)
Мощность в нагрузке будет считаться так: Pн = (U/(R1+Rн))^2 * Rн = (U^2 * Rн)/(R1+Rн)^2
Подставив значения получаем такую зависимость:
Pн = 173/(1,2+R1)^2
Хотим получить в нагрузке например 80 Вт. Считаем 80 = 173/(1,2+R1)^2 Получаем R1=0.27 Ома.
Общее сопротивление получается 1.2 + 0.27 = 1.47 Ома, значит ток в цепи будет 8.2А. А мощность на регуляторе получаем 18 Вт. Уже неслабый такой реостат нужен.
Ну и само собой чем меньше мы будем делать мощность в нагрузке, тем больше ее будет выделяться на реостате. Зависимость конечно нелинейная и такого что 1Вт в нагрузке и 119 на реостате не получится, но все-же в тепловозе есть куда запихнуть 50Вт резистор, а в мотоцикле нету.
Импульсный регулятор действует по принципу вкл/выкл. При том отношение времени включения ко времени выключения дает мощность пропорционально и линейно. КПД довольно высокое, но и требования к транзистору неслабые, чем ниже будет сопротивление канала - тем меньше будет нагрев транзистора проходящим током, а чем меньше емкость затвора - тем меньше будет потерь при переключении. Как видишь, транзисторов на такие мощности не так уж и много, а тем более обратной проводимости (чтоб переключать плюсовой провод, а не массу).
Да, ШИМ в разы экономичнее особенно при слабых уровнях нагрева.
Для мотоцикла это важно.
Санька, мне наверное виднее, что там стоит в подсветке. Расчеты расчетами, а факт он и в африке факт - регулировка освещения производится потенциометром. Напряжение - 110 вольт. Я привел вам схему господа. Ну шо же вам не посмотреть то?
Там даже прожектор резистором регулируется) Я не говорю что так нельзя, я говорю что резистор нужен будет здоровый. Формулу я вывел, можешь посчитать при каких положениях какая мощность рассеивается и выбрать подходящий резистор. Только вот в замкнутом объеме тяжело ему будет, а снаружи от грязи помрет - негде его в мотоцикле разместить нормально.
Саня, там мелкий потенциометр стоит). Как ручка громкости у старого телевизора).
Ну все товарищи, DevilDriver прислал регуляторы мощности от SAITO за что ему огромная благодарность.
И что бы вы думали? Там внутри тот же таймер 555 и полевик))) ШИМ модуляция однако!
Причем ШИМ стоит на минусе. А у меня обогрев на массе одним выводом(
Новый вопрос. Описанно все в заглавном посте.
Ставь P-канальный полевик. Он будет плюс рубить. Вот как тут:

М1 - это выходной ключ твоего регулятора. Добавь к нему ключ М2 и резистор - и будет тебе регулировка плюсом.
Примерно так и предполагал решение))) Спасибо.
12Ампер полевик.. с запасом.. Теплоотвод не нужен на него?
Подключил. Работает. Почти)))
Суть в том что весь выходной "сигнал" инвертировался полностью! Этого не учли совсем(((
Теперь при выключенном подогреве - 100% мощность, а при включении и увеличении регулятора "мощность".. снижается на нагрузке.. ибо ШИМ!
Проверял на лампу 55ватт. Полевик ощутимо греется( всего 5ампер..
Подключил 9530 вместо выходного а не после него.
ахаха !!! Ну ты понял )))
ато
Вместо выходного нельзя никак! У него сигнал в затворе не тот будет - неполное открытие и нагрев. И инверсия управления также из-за этого. Делай все как я на схеме показал - греться не должно и работать будет правильно.
Полевик управляется напряжением на затворе относительно истока, а не относительно земли нагрузки как у тебя получилось.
Я так и знал!)))
А я по ходу примерок спалил выходник на СОИТе и вместо него влепил 9530.. Переделаю....
Можно фото пульта, пульты саито часто глючат на холоде, у меня в минусовую температуру не работал. http://www.le-parts.ru/product/ruchki-s-podogrevom-saito-25/ такие были.Ручки недолговечные, мне на сезон хватает и резинки стираются до обнажения нагревательного элемента.
ДевилДрайвер(С)